mk体育在线官网-MK体育(中国) mk体育在线官网-MK体育(中国) 政策法规 产业市场 节能技术 能源信息 宏观环境 会议会展 活动图库 资料下载 焦点专题 智囊团 企业库
节能技术  中国节能产业网 >> 节能技术 >> 节能案例 >> 正文
炭素环式焙烧炉燃烧系统优化技术
来源:中国节能产业网 时间:2015-5-21 17:51:03 用手机浏览

一、技术名称:炭素环式焙烧炉燃烧系统优化技术

二、技术所属领域及适用范围:钢铁行业 炭素环式焙烧炉燃烧系统及炉盖节能改造

三、与该技术相关的能耗及碳排放现状

目前,我国大部分炭素企业采用环式炉进行生制品的一次焙烧。由于燃料由火井上部的煤气入口水平喷入,煤气和炉内产生的沥青烟燃烧不充分,沥青烟产生量 大,炉盖漏风,保温性差,能耗高,废气净化难度大。据统计,目前国内炭素企业 的平均焙烧能耗约340kgce/t。目前该技术可实现节能量7万tce/a,CO2减排约18万t/a。

四、技术内容

1.技术原理

该技术采用新型的燃烧器,煤气自上而下进入火井,与自下而上的烟气及助燃空气混合,使燃烧更加充分,提高了燃烧效率;根据炉室温度和升温曲线自动调节煤气流量,使炉子温控更精确,减少燃料浪费;通过使更多的沥青烟参与燃烧,最大限度地节省燃料,减少沥青烟的产生和排放量;通过新型联通罩的自动调节,降低炉室负压,减少烟气量,降低烟气流速,提高传热效率,减少热损失;通过提高炉盖的密闭性和保温效果,减少热损失。

2.关键技术

(1)采用先进的煤气燃烧器、可移动式燃烧架和烟气联通罩,通过采集炉室温度和系统压力参数,自动调节煤气用量和烟气量,实现对炉室温度的精确控制,提高煤气及沥青烟的燃烧效率,提高产品成品率。

(2)通过改变炉盖的部分结构及耐火材料,减轻了炉盖重量、提高保温和密封效果,延长使用寿命。

3.工艺流程

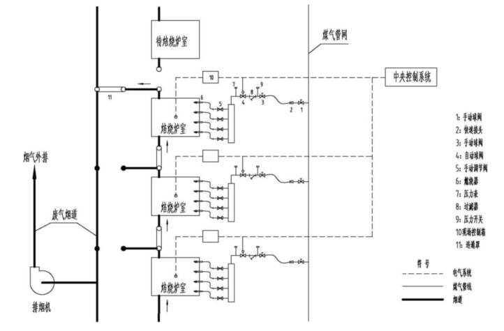
炭素环式焙烧炉燃烧系统优化工艺流程见图1。

 123

图1 炭素环式焙烧炉燃烧系统优化工艺流程图

五、主要技术指标

焙烧品单位能耗(包括新增的蒸气及电力消耗)可降低约39%。

六、技术鉴定、获奖情况及应用现状

该技术于2010年通过中国炭素行业协会组织的科技成果鉴定,目前已在国内30多台炭素环式焙烧炉上使用,能耗平均下降30%以上,节能效果显著。

七、典型应用案例

典型用户:中钢集团吉林炭素股份有限公司、河北联冠电极股份有限公司

典型案例1

建设规模:年产1.32万t石墨电极焙烧品的新型炭素焙烧炉,建设条件为煤气热值大于1200kcal/Nm3,煤气中粉尘、焦油含量小于800mg/m3(粉尘、焦油含量为合测值),需蒸汽1t/h。主要技改内容:拆除原有焙烧炉燃烧装置,对部分燃气管道进行改造,将原有固定式燃烧装置改造为可移动、自动控制的燃烧装置,新建计算机自动控制系统,改变炉盖的局部结构,更换耐火保温材料。主要设备包括16个可移动燃烧装置、16个墙壁柜、64个燃烧器、3个联通罩、温度、压力测量仪表、计算机自动控制设施等。节能技改投资额500万元,建设期3个月。每年可节能1950tce,年节能经济效益310万元,投资回收期1.6年。

典型案例2

建设规模:年产7.8万t焙烧品的新型炭素一次焙烧炉,改造前使用天然气。主要技改内容:拆除原有焙烧炉燃烧装置,对部分燃气管道进行改造,将原有固定式燃烧装置改造为可移动、自动控制的燃烧装置,制做新型炉盖,主要设备包括48个可移动燃烧装置、48个墙壁柜、192个燃烧器、12个联通罩、75个新型炉盖,以及温度、压力测量仪表、计算机自动控制设施等。节能技改投资额2000万元,建设期6个月。每年产量按7.8万t计,年可节能10000tce(扣除新增用汽、用电),年节能经济效益2887万元,投资回收期约8个月。

八、推广前景及节能减排潜力

目前我国炭素行业有环式焙烧炉约400台,已完成节能技术改造的不足10%。预计未来5年,该技术在行业内的推广潜力可达到60%,预计投资总额10亿元,年节能能力39万tce/a,二氧化碳减排能力103万tCO2/a。


分享到:
相关文章 iTAG:
没有相关技术
频道推荐
服务中心
微信公众号

CESI
关于本站
版权声明
广告投放
网站帮助
联系我们
网站服务
会员服务
最新项目
资金服务
园区招商
展会合作
中国mk体育在线官网-MK体育(中国)上线下相结合的一站式节能服务平台。
©2007-2016 CHINA-ESI.COM
鄂ICP备16002099号
节能QQ群:39847109
顶部客服微信二维码底部
扫描二维码关注官方公众微信