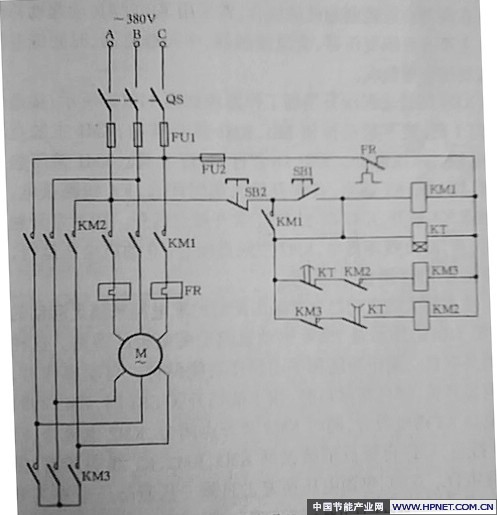
启动过程及控制原理说明:
将开关QS闭合,按下启动按钮SB1,主接触器线圈KM1得电,主接触器KM1吸合, 同时接主接触器常开触点KM1闭合,松开按键SB1时,常开触点KM1已经吸合,使SB1形成自锁,主接触器线圈KM1继续有电(如图1);

图1:三个接触器实现星三角启动原理图
主接触器常开触点KM1闭合时,时间继电器常闭触点KT是闭合的,所以星型接触器的线圈KM3得电,此时主接触器KM1和星型接触器KM3吸合,电动机启动,在220V星型状态运行;
在主接触器常开触点KM1闭合的同时时间继电器KT线圈得电,延时闭合常开触点KT在时间继电器设定得电闭合时间内闭合,时间继电器常闭触点KT断开,使三角型接触器线圈KM2得电,三角型接触器KM2吸合,星型接触器KM2断开,此时电动机工作在380V三角型接线状态;
线圈KM3前串入KM2和一组触点和KM2前串入KM3的一组触点是为了保护安全。使任何情况下接触器KM2和KM3主有一个在运行。
接下停止按钮SB2,所有线图都不得电,所有主接触器断开,电动机停止运行。
|